
A continuation of the organ transplant waitlist calculator. Delores Digital was the connective component that allowed patients to engage with healthcare providers at the medical center they chose. Evolving into a full-scale telehealth platform operable on web and mobile devices.
As a React and Typescript-coded telehealth platform Delores Digital worked with individuals on a subscription or per-session basis and created and operated programs with a K12 school, and several specialized support groups across the country.
After 1.5 years of development and 3 years of operation, Delores Digital closed active operations, with the decision to make the source code for the telehealth platform Open Source, Open Access to help new health practitioners expedite their journey to provide care.


The contactless, microwave-based charging system used a transformed magnetron and rectenna capture system to convert emitted microwaves into a voltage that is stepped up before being filtered through a capacitor array to achieve current levels capable of charging a mobile phone.
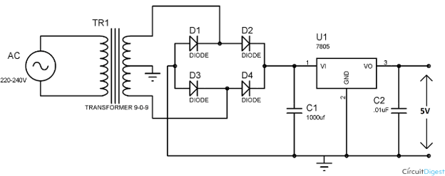
When pulling from a wall source, the voltage of the electricity must be stepped down from 120V or 220V to 5V. This is done using a step-down transformer. In our case, a step-up transformer was more appropriate as required a voltage boost.

Transformer selection was made such that the current requirement of the load circuit used to generate the DC current and the voltage rating was greater than the required voltage. I.e., For 5V DC, the transformer should at least have a rating of 7V.
As a wall gives out AC current, so does the antenna (microwave emitter). To rectify this, the negative part of the AC is removed to give partial DC. This is achieved through the rectenna. A basic rectification circuit is shown below.

Next, the current must be filtered to account for the high ripple factor. This was done with a capacitor. The capacitor used was selected by calculating C = I*t/V, where time is calculated by one divided by the received frequency. This frequency was found by testing the output of the wall outlet. V is the peak voltage minus that which must be put into the regulator (see next section). Lastly, I is the target current of 500mA. A diagram of what this filtration process does is shown below.

With the now filtered DC voltage, the voltage must be regulated. This is done with a voltage regulator such as an IC 7805. To eliminate noise, it is also recommended that a 0.01uF capacitor be added. This brings the receiver to its final form and allows for pairing with a device. A diagram of this process is shown below.

With all of the previous steps complete, the system is ready to link to a device. An example of a circuit meant for charging phones (from a wall socket) is shown below.

The complete transformer and rectification circuit provides 5V, 500mA charging.